Foram encontradas 40 questões.
Observe os circuitos abaixo.

Para que todos os LEDs possam ligar, é necessário que as chaves estejam da seguinte maneira:
Provas
Questão presente nas seguintes provas
Observe o circuito abaixo.

A tensão de saída, considerando os amplificadores operacionais ideais, é dada por
Provas
Questão presente nas seguintes provas
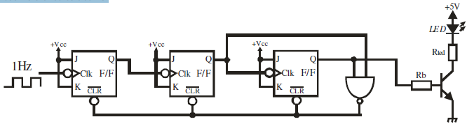
Observe o circuito abaixo.

O LED fica piscando da seguinte forma:
Provas
Questão presente nas seguintes provas
Um cilindro pneumático alimentado com uma pressão média de 6 bar, com êmbolo de 3” de diâmetro, haste com diâmetro de 3/4" e curso de 250mm, está submetido, durante o avanço, a uma carga total de 150N.
Considerando que, em condições normais de funcionamento, o cilindro realiza 5 (cinco) ciclos por minuto, qual será a vazão consumida?
Provas
Questão presente nas seguintes provas
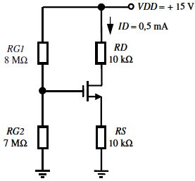
Observe o circuito abaixo.

A tensão de fonte e a tensão de dreno do FET são, respectivamente,
Provas
Questão presente nas seguintes provas
Observe o circuito abaixo.

Supondo que os diodos sejam ideais, o valor da corrente I e da tensão V são, respectivamente,
Provas
Questão presente nas seguintes provas
Conforme as características de conjugado em relação à velocidade e corrente de partida, os motores de indução trifásicos com rotor de gaiola são classificados em categorias, cada uma adequada a um tipo de carga. De acordo com a norma NBR 7094, quais características são pertencentes a categoria N:
Provas
Questão presente nas seguintes provas
No que se refere às chaves de partida dos motores trifásicos, que características NÃO pertencem à chave estrela triângulo?
Provas
Questão presente nas seguintes provas
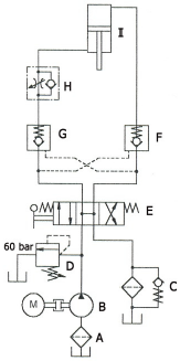
Observe o circuito abaixo.

Sobre esse circuito, são lançadas as afirmativas:
I. A válvula D é uma válvula de alívio, a qual estabelece que a máxima pressão do sistema seja de 60 bar, independente da carga do cilindro I.
II. Para que o cilindro I se movimente, é necessário remover do circuito as válvulas de retenção F e G.
III. A válvula reguladora de vazão H controla a velocidade de avanço do cilindro I.
Estão corretas as afirmativas
Provas
Questão presente nas seguintes provas
Observe a figura abaixo.

Numa esteira são movimentadas peças longas (A) e peças curtas (B) numa seqüência aleatória. Quando a peça for longa haverá um instante que serão acionados simultaneamente os sensores E1, E2 e E3. Quando a peça for curta haverá um instante que será acionado apenas o sensor E2. Quando uma peça longa for detectada, o solenóide Y deve ser acionado, ocasionando o avanço do cilindro.
Analise os programas a seguir, construídos em linguagem ladder:
I - 

II - 

III - 

Considerando INTERNO um registro ou saída interna do CLP, atendem a especificação os programas
Provas
Questão presente nas seguintes provas
Cadernos
Caderno Container