Foram encontradas 100 questões.
Considere a equação balanceada para a seguinte reação de oxirredução:
10 FeSO4 + 2 KMnO4 + 8 H2SO4 → 5 Fe(SO4)3 + K2SO4 + 2 MnSO4 + 8 H2O
O agente redutor na reação é
Provas
Considere volumes iguais para soluções aquosas 0,1 mol/L dos ácidos junto às suas respectivas constantes de ionização (Ka), apresentados na tabela abaixo.
|
Ácidos |
Ka |
|
HF |
6,8 .10−4 |
|
HNO2 |
4,7 .10−4 |
|
CH2ClCOOH |
1,4 .10−3 |
Se a condutibilidade elétrica dessas soluções for comparada, a ordem decrescente entre elas será:
Provas
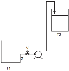
Considere o esquema abaixo de transporte de um derivado de petróleo do tanque (T1) para o tanque (T2).

Qual das seguintes ações reduziria a possibilidade de cavitação?
Provas
Dentre os instrumentos de medida mais importantes, situam-se os transmissores. Trata-se de um dispositivo que, após realizar medidas da variável de processo, transmite os dados para um receptor localizado a distância. Quais são os principais tipos de sinais utilizados na transmissão desses dados?
Provas
A chuva ácida, que ocorre especialmente nas imediações das grandes cidades ou locais muito industrializados, traz prejuízos à saúde dos homens e dos animais, assim como à qualidade do solo e das águas e provoca eventuais danos a edificações e equipamentos. Os principais ácidos gerados por emissões provenientes de refinarias de petróleo são:
Provas
As unidades de refino envolvem diversas etapas de processamento desde a entrada do petróleo cru na refinaria até a saída dos produtos finais. Relacione as etapas de diferentes processamentos apresentadas na 1a coluna com os seus respectivos resultados, na coluna à direita.
1 – Alquilação
2 – Craqueamento
3 – Dessalgação
4 – Destilação a vácuo
5 – Destilação atmosférica
( ) Separação que evita decomposição de hidrocarbonetos e formação de coque
( ) Operação que converte gasóleo pesado em gasolina e diesel
( ) Separação que produz querosene, nafta e gás de refinaria, por exemplo
( ) Processo que produz gasolina de alto índice de octanagem e com baixo teor de contaminantes
A ordem dos números da coluna da direita, de cima para baixo, é:
Provas
Em uma unidade de refino, operações que envolvem a quebra de emulsões de óleo disperso em água e de água dispersa em óleo são empregadas, respectivamente, em processos de
Provas
A temperatura de ebulição de um composto orgânico depende, fundamentalmente, da massa molecular de suas moléculas e das forças intermoleculares existentes entre elas. Nos alcanos de cadeia normal, as temperaturas de ebulição aumentam, gradativamente, com o aumento de suas massas moleculares. No entanto, entre alcanos de igual massa molecular, o ponto de ebulição, em geral, diminui com o aumento de ramificações. Isso acontece porque as ramificações dificultam a atração recíproca entre as moléculas desses compostos, que são promovidas por
Provas
A presença de tensoativos naturais no petróleo, como asfaltenos, resinas, ácidos naftênicos, entre outros, propicia a formação de emulsões contendo gotas de água dispersas no óleo. Esses tensoativos, também chamados de surfactantes, migram para a interface óleo-água, atuando como agentes
Provas
Considere as seguintes conexões a serem utilizadas em tubulações de igual diâmetro:

A ordem, em função crescente, da perda de carga provocada é
Provas
Caderno Container