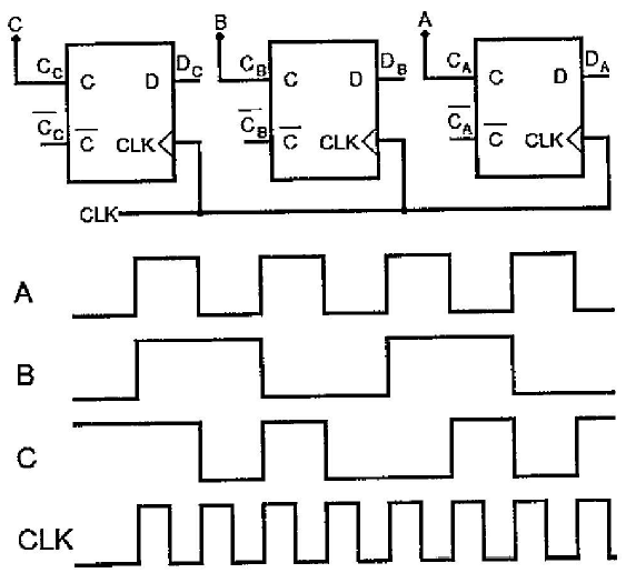
Considere o circuito digital abaixo composto por flip-flops tipo D e as formas de ondas dos sinais \( A \), \( B \), \( C \) e \( CLK \).

Analise as afirmativas abaixo, sabendo que as formas de onda acima serão geradas pelo circuito, e assinale a opção correta,
I. \( D_A = \overline{C}_A \)
II. O sinal \( D_B \) pode ser determinado como \( C_A\oplus C_B \).
III. O sinal \( D_C \), pode ser determinado como \( C_B.\overline{C}_C + \overline{B}.(C_A \oplus C_C) \).
Provas
Questão presente nas seguintes provas
Corpo da Armada - Eletrônica
50 Questões
Corpo de Fuzileiros Navais - Eletrônica
50 Questões