Uma das técnicas utilizadas para resolver circuitos elétricos é a análise dos circuitos equivalentes de Norton e Thévenin.
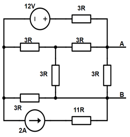
Para o circuito apresentado, qual o valor do resistor equivalente de Norton (RN) entre os pontos A e B?
Figura 02

Fonte: O autor
Provas
Questão presente nas seguintes provas