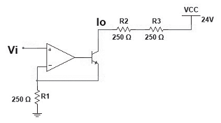
Considerando o amplificador operacional ideal, determine a relação entre a corrente de coletor do transistor (Io) e a tensão de entrada (Vi).

Considerando o amplificador operacional ideal, determine a relação entre a corrente de coletor do transistor (Io) e a tensão de entrada (Vi).
