Magna Concursos
3321363 Ano: 2024
Disciplina: Engenharia Eletrônica
Banca: Verbena
Orgão: IFS

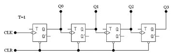
Observe o circuito da figura a seguir.

Enunciado 3747089-1

Elaborado pelo(a) autor(a).

Esse circuito é um

 

Provas

Questão presente nas seguintes provas

Professor PEBTT - Eletrônica

60 Questões