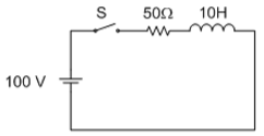
Observe o circuito mostrado na figura, composto por um resistor de 50 Ω em série com um indutor de 10 H. Ao se fechar a chave S, é aplicada ao circuito uma tensão constante igual a 100 V. Assinale a alternativa que apresenta a equação completa da corrente que circula no circuito, abrangendo tanto o regime transitório quanto o permanente.
