
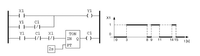
No programa LADDER da figura acima, X1, Y1 e C1 são variáveis booleanas e TON é um temporizador, com atraso no acionamento e com o tempo especificado em segundos. O gráfico apresenta a forma de onda da variável X1. Com base no intervalo do gráfico e considerando o temporizador inicialmente zerado, qual o tempo total, em segundos, em que a variável Y1 assume o valor lógico 1?