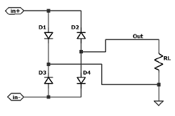
As entradas in+ e in- do circuito da figura a seguir são conectadas ao secundário de um transformador, cujo primário é conectado à rede elétrica de 60 Hz e 127 V e fornece uma saída no secundário de 12,7 V. Os diodos do circuito são todos de silício com VD = 0,7 V e tensão de ruptura avalancha maior que 100 V, e a carga RL é de 1 kΩ. Qual a frequência do sinal e tensão de pico no nó Out?
