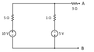
Assinale a alternativa que apresenta os valores corretos do resistor e da fonte de tensão do equivalente de Thévenin do circuito da Figura 3.

Figura 3
Provas
Questão presente nas seguintes provas
Analista Universitário - Engenharia Elétrica
62 Questões