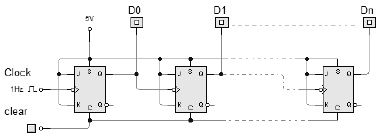
Quantos flip-flops JK, ligados em cascata (como no exemplo), são necessários para se criar um contador binário capaz de realizar uma contagem de 0 até 34, que, após atingir este valor, é novamente zerada por um elemento externo através do sinal clear?
