Magna Concursos
3476088 Ano: 2012
Disciplina: Engenharia Mecânica
Banca: UFU
Orgão: UFU

Enunciado 3817176-1

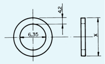
Qual o diâmetro externo “X” da arruela representada na figura acima?

 

Provas

Questão presente nas seguintes provas

Técnico de Laboratório - Mecânica

50 Questões