Magna Concursos
Questões
Planos
Entrar
Entrar
Criar Conta
Respondida
1325068
Ano:
2013
Disciplina:
Engenharia Eletrônica
Banca:
IF-SUL
Orgão:
IF-SUL
Provas:
Professor PEBTT - Informação e Comunicação/Área 06
Provas
×
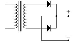
Retificadores de meia onda e onda completa (carga resistiva)
A figura ao lado mostra o esquema de um circuito retificador de tensão implementado com diodos semicondutores.
Sobre esse circuito, é INCORRETO afirmar que
A
o circuito em questão é de onda completa.
B
o retificador apresenta uma alta impedância de saída.
C
a ondulação na saída pode ser reduzida com a adição de um filtro capacitivo na saída do retificador.
D
a frequência de saída do retificador é o dobro da frequência do primário do transformador.
Resolver
Comentários
0
×
Cadernos
×
Flashcards
×
Estatísticas
×
Reportar um erro
×
Provas
Questão presente nas seguintes provas
Professor PEBTT - Informação e Comunicação/Área 06
40 Questões
Resolver Prova
Publicar
Responder
Qual o problema da questão?
Selecione uma opção
Questão Desatualizada
Questão Repetida
Gabarito Errado
Outros Motivos
Mensagem
Enviar
Acessar
Criar Conta
Acesse sua Conta
Google
Facebook
Esqueci minha senha
Acessar
Ainda não tem conta?
Crie uma
!
Crie uma Conta
Criar Conta
Olá, para continuar, precisamos criar uma conta!
É
rápido
e
grátis
.
Google
Facebook
Concordo com os
Termos de Uso
Criar
Já tem uma conta?
Acesse aqui