Magna Concursos
3634715 Ano: 2025
Disciplina: Engenharia Eletrônica
Banca: CEFET-MG
Orgão: CEFET-MG
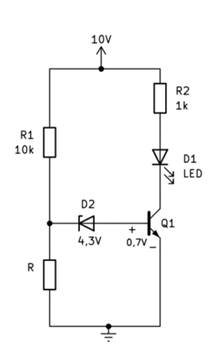
Observe o circuito a seguir.

Enunciado 4316139-1

Considerando um hFE elevado para o transistor, de modo que ele opere somente nas regiões de corte ou saturação, o menor valor de R que permite que o LED D1 acenda é:
 

Provas

Questão presente nas seguintes provas

Técnico de Laboratório - Eletrônica

50 Questões