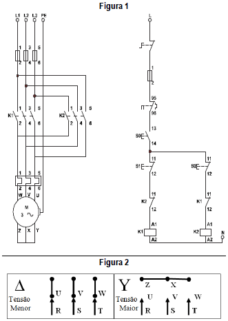
Na figura 1, é apresentado um esquema de ligação para partida de um motor trifásico. O motor possui seis terminais (U, V, W, Z, X e Y) e as respectivas formas de ligação são apresentadas na Figura 2.

Dadas as afirmativas quanto ao funcionamento desse esquema,
I. O esquema trata de uma partida direta temporizada a contator.
II. Os contatos auxiliares K1 (11;12) e K2 (11;12) fazem o papel do selo.
III. O esquema apresenta erros de projeto quanto aos contatos das botoeiras S0 (13;14), S1 (11;12) e S2 (11;12), que deveriam ser normalmente fechada, normalmente aberta e normalmente aberta, respectivamente.
IV. O contator K2 tem o mesmo papel do contator K1, ou seja, foi instalado de forma redundante como uma medida de segurança em caso de falha de K1.
verifica-se que está(ão) correta(s) apenas
Provas
Questão presente nas seguintes provas