Magna Concursos
2681058 Ano: 2023
Disciplina: Engenharia Elétrica
Banca: Consulplan
Orgão: SEGER-ES
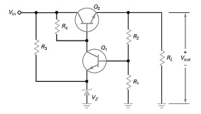
Analise o circuito regulador de fontes lineares e as afirmativas a seguir:
Enunciado 3168019-1

I. A tensão de saída é igual a Vout = Enunciado 3168019-2

II. A potência dissipada por Q2 é, aproximadamente: PD = (VR1 - Vout)I RL .
III. A eficiência do circuito Eficiência = Enunciado 3168019-3
IV. A corrente de emissor no transistor Q2 é IE = IRL + IR2 .
Está correto o que se afirma em

 

Provas

Questão presente nas seguintes provas

Analista do Executivo - Engenharia Elétrica

70 Questões