Magna Concursos
316740 Ano: 2012
Disciplina: Engenharia Eletrônica
Banca: CESGRANRIO
Orgão: Petrobrás
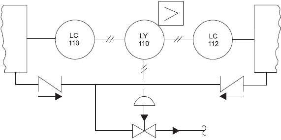
Enunciado 316740-1
O sistema ilustrado na figura corresponde a uma válvula de
 

Provas

Questão presente nas seguintes provas