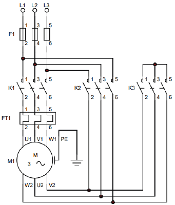
A partida de motores empregando a técnica estrela-triângulo exige correto acionamento dos elementos que compõem o circuito.
A figura a seguir exibe em exemplo de circuito de potência utilizado nesta técnica.

Assinale a alternativa correta com base no diagrama apresentado e nas características da técnica de partida estrela- triângulo.