Magna Concursos
1934196 Ano: 2020
Disciplina: Engenharia Eletrônica
Banca: DIRENS Aeronáutica
Orgão: EEAr
Provas:

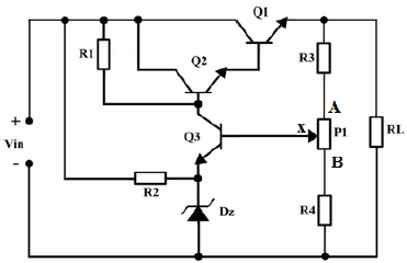
Qual deve ser o procedimento para aumentar a tensão sobre a carga RL no circuito abaixo?

Enunciado 2802298-1

 

Provas

Questão presente nas seguintes provas

EAGS - Eletrônica

100 Questões