
Para a ponte mista com SCR's e diodos da figura acima, temos que V = 220 V, Icarga = 12 A, sendo a carga fortemente indutiva. Calcule o valor médio da tensão de saída para !$ \alpha !$ = 60.
Marque a alternativa CORRETA.

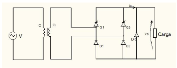
Para a ponte mista com SCR's e diodos da figura acima, temos que V = 220 V, Icarga = 12 A, sendo a carga fortemente indutiva. Calcule o valor médio da tensão de saída para !$ \alpha !$ = 60.
Marque a alternativa CORRETA.