
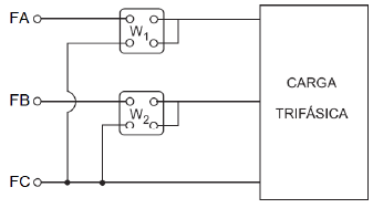
A figura acima representa o esquema de ligação para a medição de potência ativa total de um sistema trifásico, utilizando o método dos dois wattímetros. Ao fazer a medição, constatou-se que o wattímetro W1 indicava um valor positivo, e o wattímetro W2 indicava um valor negativo. Com base nessa medição, pode-se afirmar que: