Magna Concursos
1347759 Ano: 2010
Disciplina: Engenharia Elétrica
Banca: Marinha
Orgão: Marinha

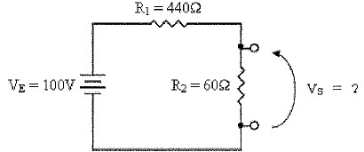
Observe o circuito a seguir.

Enunciado 1347759-1

Qual é a tensão VS do circuito acima?

 

Provas

Questão presente nas seguintes provas

Corpo Auxiliar de Praças - Eletrônica

50 Questões