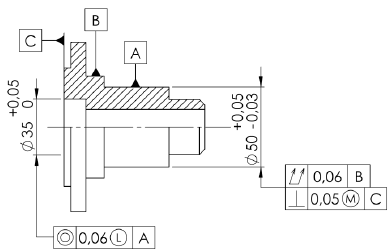
Selecione a alternativa VERDADEIRA no que diz respeito às tolerâncias dimensionais e geométricas padrão ISO indicadas no respectivo desenho técnico do eixo a seguir:

Selecione a alternativa VERDADEIRA no que diz respeito às tolerâncias dimensionais e geométricas padrão ISO indicadas no respectivo desenho técnico do eixo a seguir:
