A figura a seguir apresenta um circuito grampeador.

Na entrada desse circuito é aplicado um sinal de onda quadrada Vi de amplitude igual a V.
A amplitude do sinal de saída Vo é de
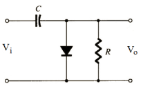
A figura a seguir apresenta um circuito grampeador.

Na entrada desse circuito é aplicado um sinal de onda quadrada Vi de amplitude igual a V.
A amplitude do sinal de saída Vo é de