- Eletrônica DigitalCircuitos LógicosCircuitos Combinatórios
- Eletrônica DigitalConceitos BásicosÁlgebra Booleana
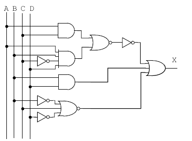
Analisando o circuito lógico abaixo, é possível retirar a expressão equivalente de X, função de A, B, C e D. Com os recursos fornecidos pela Álgebra de Boole, esta função pode ser minimizada, obtendo como expressão simplificada:
