Magna Concursos
955643 Ano: 2011
Disciplina: Engenharia Eletrônica
Banca: UFSM
Orgão: UFSM

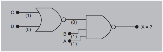
Observe a figura a seguir.

Enunciado 955643-1

O circuito lógico da figura possui uma equação de saída X, que pode ser representada por

 

Provas

Questão presente nas seguintes provas

Técnico - Eletroeletrônica

40 Questões