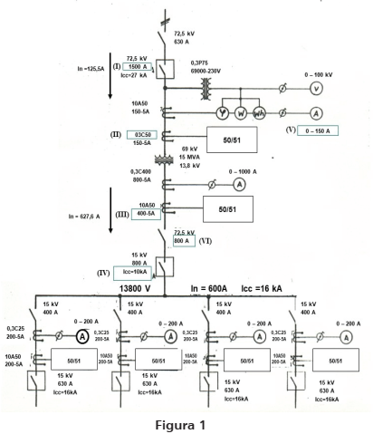
A Figura 1 acima representa um sistema elétrico de potência, através do seu diagrama unifilar, onde se encontram indicadas as grandezas inerentes ao sistema.
Dentre essas grandezas, 6 (seis) estão assinaladas e numeradas de (I) a (VI).

Considere que os valores indicados na barra de 13.800 V estejam corretos.
Está INCORRETO apenas o que se afirma em