Magna Concursos
2169505 Ano: 2022
Disciplina: Engenharia Elétrica
Banca: FUNDATEC
Orgão: SPGG-RS
Provas:

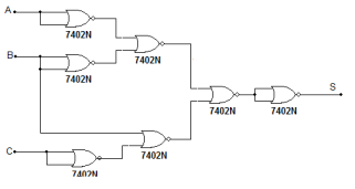
Identifique o circuito equivalente somente com portas NOR para o circuito lógico a

Enunciado 2169505-1

 

Provas

Questão presente nas seguintes provas

Engenheiro Eletricista

60 Questões