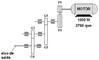
O sistema de transmissão a seguir é composto de motor, polias, correia e engrenagens. As polias P1 e P2 possuem diâmetros de 80mm e 240mm, respectivamente. A engrenagem G1 possui 10 dentes, a engrenagem G2 possui 30 dentes, a engrenagem G3 possui 15 dentes e a engrenagem G4 possui 30 dentes. Devido às perdas nas transmissões por correia, engrenagens e mancais, o rendimento total do sistema vale 75%.

Sabendo que a potência do motor é de 1000 W e gira a 2700 rpm, o torque no eixo de saída é

Sabendo que a potência do motor é de 1000 W e gira a 2700 rpm, o torque no eixo de saída é