Magna Concursos
1537820 Ano: 2018
Disciplina: Engenharia Eletrônica
Banca: IF-MT
Orgão: IF-MT
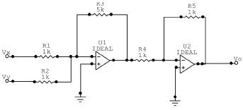
Um determinado sistema recebe dois sinais de tensão elétrica, !$ V_x !$ e !$ V_y !$, em sua entrada, sendo a sua saída definida por !$ V_o = 5 \, V_x + 5 \, V_y !$. Para a implementação física desse sistema, o engenheiro projetista utilizou amplificadores operacionais ideais e resistores de !$ 1 !$ !$ KΩ !$ e !$ 5 !$ !$ KΩ !$. Assinale o circuito eletrônico que o engenheiro usou no projeto.
 

Provas

Questão presente nas seguintes provas

Professor PEBTT - Controle e Automação

40 Questões