Magna Concursos
1378305 Ano: 2018
Disciplina: Engenharia Eletrônica
Banca: UFRGS
Orgão: HCPA

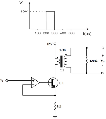
Observe a figura abaixo, considerando todos os componentes ideais.

Enunciado 1378305-1

Assinale a alternativa que melhor representa a saída VO.

 

Provas

Questão presente nas seguintes provas

Engenheiro - Engenharia Biomédica

40 Questões