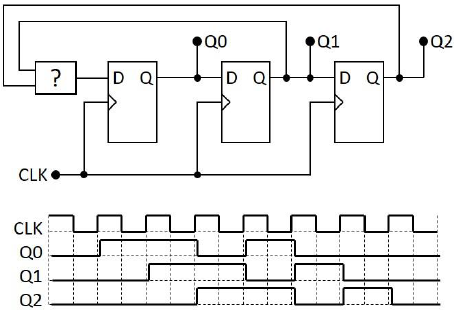
O circuito cujo diagrama esquemático abaixo apresenta um circuito composto por três flip-flops e uma porta lógica desconhecida.

Para que o circuito funcione conforme o diagrama temporal acima, o bloco marcado com uma interrogação deve ser substituído por uma porta: