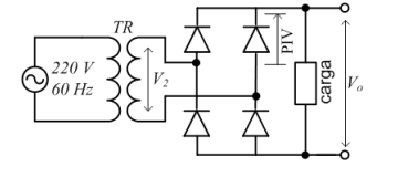
A figura a seguir deverá ser usada para responder à questão. Ela mostra um retificador em ponte, a diodo. A
tensão eficaz secundária do transformador TR é indicada por V2 e a tensão média de saída é indicada por Vo
. A tensão
de pico inversa (PIV) corresponde à tensão a que o diodo é submetido quando não está em condução.
