Magna Concursos
745099 Ano: 2016
Disciplina: Engenharia Elétrica
Banca: IDECAN
Orgão: UERN
Provas:
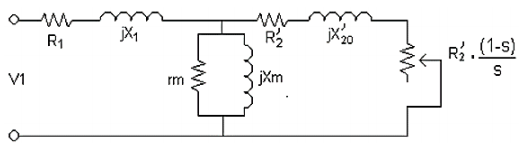
A figura apresenta um modelo simplificado do motor de indução trifásico; analise-a.
enunciado 745099-1 Quanto à variação de velocidade, é correto afirmar que:
 

Provas

Questão presente nas seguintes provas

Engenheiro Eletricista

50 Questões