
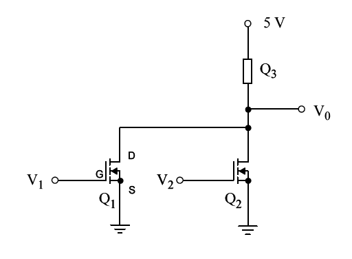
O circuito digital ilustrado acima é constituído por dois transistores NMOS do tipo enriquecimento (Q 1 e Q 2 ), idênticos, e por um transistor NMOS do tipo depleção (Q 3 ), que desempenha a função de resistor não linear. O circuito é projetado para trabalhar com dois níveis de tensão de entrada: 0,2 V (nível lógico 0) e 4,0 V (nível lógico 1). Quando Q 1 é alimentado com 4,0 V, a corrente de dreno e a potência estática dissipada correspondentes são 555 µA e 166,5 µW, respectivamente. Com base nessas informações, e sabendo-se que a tensão de limiar de Q 1 é dada por V t = 2,0 V, julgue os próximos itens.
A máxima potência estática dissipada pelo circuito digital é P max = 5,55 mW.