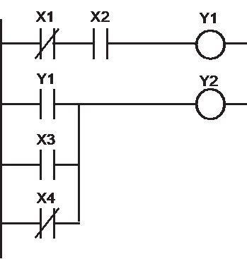
Um engenheiro de automação está programando um Controlador Lógico Programável (CLP) para gerenciar o controle de um sistema de esteiras em uma fábrica. O CLP é programado utilizando a linguagem Ladder para garantir que as esteiras operem de maneira segura. A figura abaixo mostra um diagrama Ladder utilizado para acionar duas saídas, esteira 1 (Y1) e esteira 2 (Y2), com base nas entradas X1, X2, X3 e X4.

Fonte: IFSP, 2024
Com base no diagrama apresentado, analise as seguintes afirmativas:
I. Se a entrada X1 estiver desacionada, a esteira 1 será acionada, independentemente do estado de X2.
II. A esteira 2 será acionada se X3 e X4 forem acionadas.
III. Se todas as entradas estiverem desacionadas, a esteira 2 será acionada.
Quais afirmativas estão corretas?