Em aplicações industriais, motores elétricos podem ser projetados para operar em dupla tensão (220/380 V),
permitindo flexibilidade na instalação conforme a disponibilidade da rede. O circuito de partida de um motor
com seis bornes de ligação pode utilizar uma configuração que reduza a corrente de partida, preservando o
sistema elétrico e garantindo a aceleração adequada da carga.
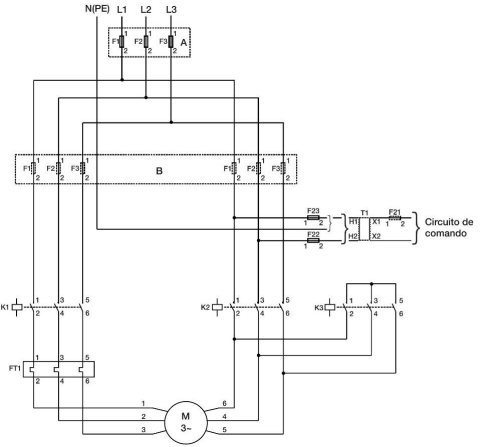
Considere um motor trifásico alimentado por um circuito, conforme diagrama abaixo:
Fonte: GRUPO WEG. Motores elétricos: guia de especificação. Unidade Motores. Rev. 11. Cód. 50032749. Jaraguá do Sul: WEG, set. 2012. [Figura 3.8].
Considere os seguintes componentes no circuito de partida:
- Fusíveis de força: F1, F2, F3
- Fusíveis de comando: F21 e F22
- Transformador de comando: T1
- Contatores: K1, K2 e K3
- Relé de sobrecarga: FT1
- Motor: M1
Com base nas características descritas, e no esquema típico de ligação para dupla tensão, selecione a alternativa CORRETA:
Considere um motor trifásico alimentado por um circuito, conforme diagrama abaixo:
Fonte: GRUPO WEG. Motores elétricos: guia de especificação. Unidade Motores. Rev. 11. Cód. 50032749. Jaraguá do Sul: WEG, set. 2012. [Figura 3.8].
Considere os seguintes componentes no circuito de partida:
- Fusíveis de força: F1, F2, F3
- Fusíveis de comando: F21 e F22
- Transformador de comando: T1
- Contatores: K1, K2 e K3
- Relé de sobrecarga: FT1
- Motor: M1
Com base nas características descritas, e no esquema típico de ligação para dupla tensão, selecione a alternativa CORRETA: