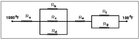
Observe o circuito térmico apresentado.
(Esboçar uma configuração física para o circuito. Considere fluxo unidirecional.)

Assinale a alternativa correta.
Provas
Questão presente nas seguintes provas
Oficial Bombeiro Militar - Engenharia Mecânica
80 Questões