Magna Concursos
1391546 Ano: 2010
Disciplina: Engenharia Eletrônica
Banca: IF-SUL
Orgão: IF-SUL
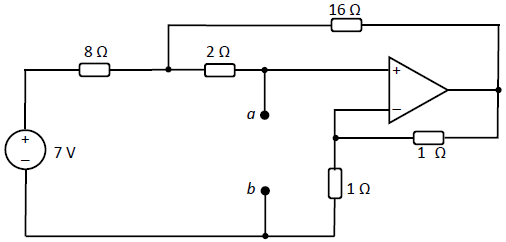
Observe o circuito abaixo, com um amplificador operacional ideal.
Enunciado 1391546-1
Insira entre os terminais a e b um resistor R com o qual será possível retirar a máxima potência PR. Os valores de R e PR são:
 

Provas

Questão presente nas seguintes provas

Professor PEBTT - Engenharia Elétrica

40 Questões