Magna Concursos
Questões
Planos
Entrar
Entrar
Criar Conta
Respondida
1051603
Ano:
2016
Disciplina:
Engenharia Civil
Banca:
ESAF
Orgão:
FUNAI
Provas:
Engenheiro Civil
Provas
×
Geotecnia
Hidráulica e Hidrologia
Hidráulica na Engenharia Civil
Solos
Mecânica dos Solos
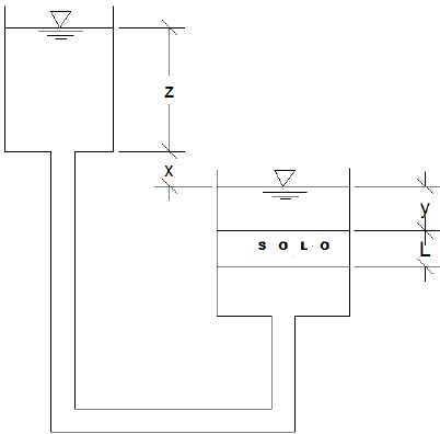
Com base no permeâmetro de carga constante apresentado na figura abaixo, encontre a permeabilidade do solo (k). Considere uma vazão de 0,006 m³/s, área da seção transversal do solo de 0,03 m², z = 1,00m, x = 0,30m, y = 0,50m e L = 0,4m.
A
0,053 m/s
B
0,160 m/s
C
0,062 m/s
D
0,080 m/s
E
0,044 m/s
Resolver
Comentários
0
×
Cadernos
×
Flashcards
×
Estatísticas
×
Reportar um erro
×
Provas
Questão presente nas seguintes provas
Engenheiro Civil
40 Questões
Resolver Prova
Publicar
Responder
Qual o problema da questão?
Selecione uma opção
Questão Desatualizada
Questão Repetida
Gabarito Errado
Outros Motivos
Mensagem
Enviar
Acessar
Criar Conta
Acesse sua Conta
Google
Facebook
Esqueci minha senha
Acessar
Ainda não tem conta?
Crie uma
!
Crie uma Conta
Criar Conta
Olá, para continuar, precisamos criar uma conta!
É
rápido
e
grátis
.
Google
Facebook
Concordo com os
Termos de Uso
Criar
Já tem uma conta?
Acesse aqui