
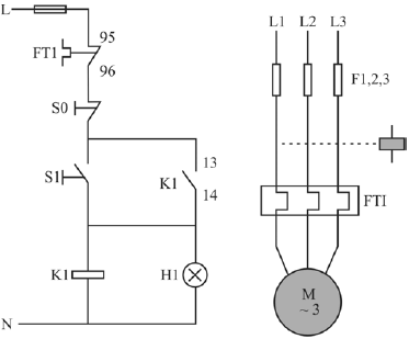
C. M. Franchi. Acionamentos elétricos. 2.ª ed. São Paulo: Editora Érica, 2007, p. 156.
As figuras acima ilustram os diagramas de comando e de força para partida direta de um motor de indução trifásico. O motor tem seis polos, potência de 5 kW, tensão entre fases de 380 V, 60 Hz, com circuito de comando em 220 V. A corrente nominal do motor é igual a 11 A, o tempo de partida, tp, é 2 s, e a relação entre a corrente de partida, Ip, e a corrente nominal é igual a 7. Alguns componentes de proteção dos circuitos devem ser dimensionados com vistas a um adequado funcionamento do motor. Com essa finalidade, admite-se que o projetista disponha de catálogos compatíveis com os componentes de interesse.
A partir dessas informações, julgue o item subsecutivo.
A corrente nominal de cada fusível de fase no circuito de força deve ser no mínimo igual a 12,2 A, mas não superior à corrente nominal do fusível dimensionado para o contactor.