
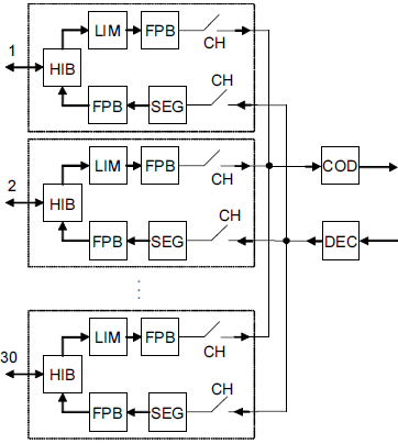
Legenda: HIB – junção híbrida; LIM – limitador; FPB – filtro
passa-baixas; SEG – segurador de tensões (sample and hold); CH – chave de amostragem; COD – codificador PCM; DEC – decodificador.
Considerando o equipamento multiplex PCM de 30 canais ilustrado acima, julgue o item que se segue.
Em cada unidade, encontra-se uma junção híbrida (HIB). Esta junção permite a transformação de dois para quatro fios e tem a função de separar os dois sentidos de comunicação, possibilitando uma comunicação full-duplex, a qual não é possível sem o auxílio do HIB. Além disso, a utilização da HIB possibilita a amplificação dos sinais transmitido e recebido.
Provas
Questão presente nas seguintes provas
Analista de Suporte - Redes e Telecomunicações
120 Questões