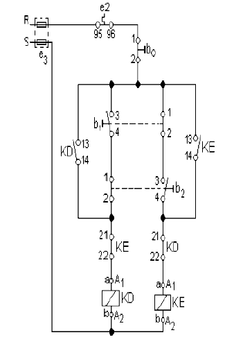
Observe o diagrama de comando de um sistema de partida para motores:
Trata-se de uma:
Partida direta de um motor trifásico sem reversão.
Partida direta de um motor trifásico com reversão direta.
Partida direta de um motor trifásico com reversão automatizada.
Partida direta de um motor trifásico com reversão indireta.
Partida direta de um motor monofásico sem reversão.
Olá, para continuar, precisamos criar uma conta! É rápido e grátis.