Os circuitos integrados são construídos, camada por camada, sobre uma pastilha de
silício ou de outro semicondutor. Isso pode ser feito por meio da impressão de um padrão na superfície,
do depósito de materiais no padrão e da gravação química na superfície. Muitas camadas podem ser
formadas dessas maneiras em uma única pastilha, produzindo múltiplos chips ou circuitos integrados,
que são então ligados aos conectores de metal condutor para que sejam introduzidos sinais ou tensões
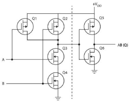
no chip (Lamb, 2015). A figura a seguir apresenta uma combinação de transistores que correspondem
a qual lógica de comutação?

