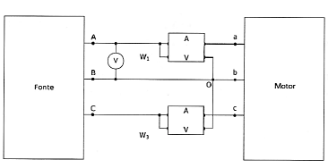
Utilizou-se o método dos dois wattímetros para medir a
potência ativa trifásica consumida por um motor,
conforme figura abaixo. As leituras em W1 e W3 foram P1 =
1.300 W e P3 = 2.000 W, respectivamente. Marque a opção
que representa potência reativa deste motor.

