Magna Concursos
376726 Ano: 2011
Disciplina: Engenharia Elétrica
Banca: VUNESP
Orgão: SAAE Sorocaba
Provas:
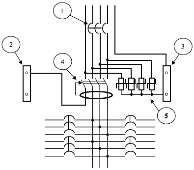
O esquema elétrico apresenta a ligação de um quadro de distribuição. Assinale a alternativa correta de acordo com os elementos identificados.
Enunciado 376726-1
 

Provas

Questão presente nas seguintes provas