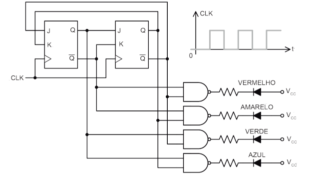
O circuito digital sequencial mostrado na Figura abaixo tem como objetivo controlar a sequência periódica de acendimento
de um conjunto de LEDs coloridos, de modo que apenas um LED acenderá em cada período do sinal de relógio CLK, a
partir do instante t = 0.

Considerando-se que todos os flip-flops do circuito estão no estado Q = 0 no instante inicial t = 0, qual será a sequência periódica de acendimento dos LEDs para t > 0?

Considerando-se que todos os flip-flops do circuito estão no estado Q = 0 no instante inicial t = 0, qual será a sequência periódica de acendimento dos LEDs para t > 0?