Considere o circuito do conversor controlado apresentado abaixo:

Considerando o ângulo de atraso (disparo) dos tiristores igual a 90º e o valor eficaz da fonte de tensão vs de 220 V, é CORRETO afirmar que o valor médio da tensão de saída Vd vale
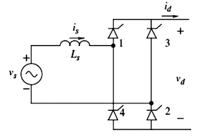
Considere o circuito do conversor controlado apresentado abaixo:

Considerando o ângulo de atraso (disparo) dos tiristores igual a 90º e o valor eficaz da fonte de tensão vs de 220 V, é CORRETO afirmar que o valor médio da tensão de saída Vd vale