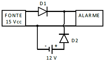
A figura abaixo mostra um sistema de backup, projetado para evitar a perda de memória de um sistema de alarme.

Considerando que esse sistema utiliza diodos de silício, é INCORRETO afirmar que:
A figura abaixo mostra um sistema de backup, projetado para evitar a perda de memória de um sistema de alarme.

Considerando que esse sistema utiliza diodos de silício, é INCORRETO afirmar que: