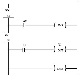
Analise a programação de um CLP apresentada abaixo.

Pode-se afirmar que é uma Programação por:
Provas
Questão presente nas seguintes provas
Técnico de Manutenção em Comando
60 Questões
Técnico de Manutenção em Controle
60 Questões
Técnico de Manutenção em Proteção
60 Questões
Técnico Industrial de Engenharia I
60 Questões